Изготовление строительных бытовок
Прием звонков: Пн-Пт: с 8.00 до 21.00
Сб,Вс: с 9.00 до 18.00
(Бесплатный звонок по России)
Ваш Регион: Краснодарский край
Ваш город: Архипо-Осиповка
Изменить город:
Выберите регион
Ростовская область
Краснодарский край
Ставропольский край
Волгоградская область
Астраханская область
Белгородская область
Воронежская область
Липецкая область
Саратовская область
Курская область
Тамбовская область
Республика Крым
Республика Адыгея
Республика Дагестан
Республика Ингушетия
Республика Кабардино-Балкария
Республика Карачаево-Черкесия
Республика Северная-Осетия-Алания
Чеченская Республика
Республика Калмыкия
Республика Казахстан
Выберите регион
Главная
Контакты
Заявка на расчет
Меню
О компании
Наши работы
Модульные здания
Вагончики - Бытовки
Коммерческие предложения
Готовые решения
Каталог
Модульные здания
Сантехнические бытовки
Жилые вагончики
Вагончики - офисы
Охранные вагончики-бытовки(КПП)
Вагончики - проходные
Торговые вагончики
Складские бытовки-вагончики
Услуги
Изготовление вагончиков-бытовок
Монтаж модульных зданий
Доставка блок-контейнеров
Пресс-центр
Новости
Фотогалерея
Производство
Контакты
Главная
→
Каталог
→
Коммерческие предложения
→ КП на модульные здания
КП на модульные здания в Архипо-Осиповке
Общежития блок-модульные
Офисы модульные
Модульные АБК
Столовые модульные
Жилые и дачные модули
Модульные конференц-залы
Модульные торговые центры
Модульные контрольно-пропускные пункты (КПП)
Модульные штабы строительства
Модули для военных
Модульные производственные здания
Сантехнические модульные здания
Ремонтные модульные помещения
Модульные складские помещения
Медицинские блок-модули
Модульные проходные
Проекты модульные здания
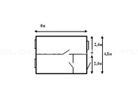
Модульный офис из 8-ми штук блок-контейнеров (вагончики-бытовки)
подробнее...
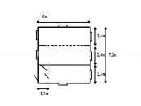
Модульный офис из 4-х штук шести метровый вагончиков-бытовок
подробнее...
Заказчики
ООО Ставсервис
ООО АльянсСтрой
ООО Сельхозхимия
Новости
27.03.2017
Закончено строительство модульного пункта приема пищи для рабочих в станице Тамань Краснодарского края
Закончено строительство модульного пункта приема пищи для рабочих в станице Тамань Краснодарского края....
подробнее...
27.03.2017
Закончено строительство модульного общежития для рабочих в городе Севастополь
Успешно закончено строительство модульного общежития для рабочих в городе Севастополь...
подробнее...
Проекты вагончики бытовки
Душевая из БК 6м
подробнее...
Строительная жилая бытовка 5м
подробнее...
Услуги компании
Изготовление вагончиков-бытовок
Монтаж модульных зданий
Доставка блок-контейнеров
География деятельности
Фотогалерея
Модульный конференц-зал для строительного городка
Модульный офис для строительного городка